水环式真空泵的结垢原因及防范措施

水环式真空泵的结垢原因及防范措施

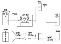
水环式真空泵是瓦斯抽放泵站主要工具,担负着提全矿抽放瓦斯重要任务,水环式真空泵在煤矿占有举足轻重的地位。...

查看详细
星空官方站登录入口-星空online(中国)举行白坭新厂区正式投产揭牌仪式

星空官方站登录入口-星空online(中国)举行白坭新厂区正式投产揭牌仪式

今天是中国共产党成立97周年,举国上下进行了各种形式的庆祝活动。在这个伟大的日子里,星空官方站登录入口-星空online(中国)白坭厂区正式投产。...

查看详细
水泵安装好仍漏水,啥原因?

水泵安装好仍漏水,啥原因?

造成水泵安装好仍漏水的原因:法兰接口有漏液;电机在运转但打不出水。...

查看详细
循环水泵汽蚀原因与改造实例

循环水泵汽蚀原因与改造实例

星空官方站登录入口-星空online(中国)厂浅析循环水泵汽蚀原因与改造实例。...

查看详细
水泵效率下降是什么原因造成的?

水泵效率下降是什么原因造成的?

水泵效率下降是什么原因造成的?下面星空官方站登录入口-星空online(中国)为大家简单说明一下水泵效率下降的原因。...

查看详细